Page 587 - RF Adapter Datasheets
P. 587
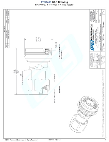
PE91480 CAD Drawing
Low PIM QD 4.3-10 Male to N Male Adapter
1
APPROVED D.BIRCH THE INFORMATION AND DESIGN IN THIS DOCUMENT IS THE PROPERTY OF PASTERNACK CORPORATION. ALL RIGHTS RESERVED. 1 N/A REV A
DATE 02/25/19 SHEET OF SCALE PE91480
REVISIONS PART NUMBER
DESCRIPTION INITIAL RELEASE 1.075 27.30 REF. Pasternack Enterprises, Inc. P.O.Box 16759, Irvine, CA 92623. Phone: 1.949.261.1920 │ 1.866.727.8376 Fax: 1.949.261.7451 www.pasternack.com │ e-mail: sales@pasternack.com DRAWN BY K.DANG
M20X1.0
QUICK DISCONNECT 4.3-10 MALE FRACTIONS ± 1/32 ANGLES ± 1° SIZE A
REV. A CAGE 53919
UNLESS OTHERWISE SPECIFIED LEADING DIMENSIONS ARE INCHES DIMENSIONS IN [ ] ARE MILLIMETERS TOLERANCES: .2 [5.08] .01 [ .25 ] .005 [ .13 ] ALL DIMENSIONS SHOWN ARE FOR REFERENCE ONLY. THIRD-ANGLE PROJECTION
1.746 44.35 REF .X=± .XX=± .XXX=±
ACROSS FLATS
5/8 3/4 HEX
N FEMALE
5/8-24 UNEF-2A THESE COMMODITIES, TECHNOLOGY OR SOFTWARE WERE EXPORTED FROM THE UNITED STATES IN ACCORDANCE WITH THE EXPORT ADMINISTRATION REGULATIONS. DIVERSION CONTRARY TO U.S. LAW PROHIBITED.
-
Pasternack does not make
any representation or warranty regarding the suitability of the part described herein for any particular purpose, and Pasternack does not assume any liability arising out of the use of any part or documentation.
T-Rev.A
PE91480 REV 1.0 4

