Page 48 - BNC to N RF Cable Assembly Datasheets
P. 48

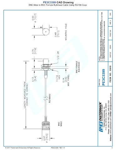
PE3C3399 CAD Drawing
                               BNC Male to BNC Female Bulkhead Cable Using RG188 Coax





























































































                                                       PE3C3399  REV 1.0                                               4
   43   44   45   46   47   48   49   50   51   52   53