Page 2212 - NEX10 to SMA RF Cable Assembly Datasheets
P. 2212

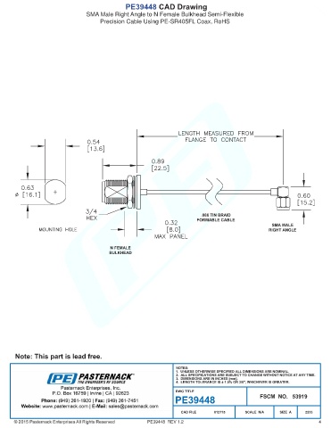
PE39448 CAD Drawing
                                 SMA Male Right Angle to N Female Bulkhead Semi-Flexible
                                      Precision Cable Using PE-SR405FL Coax, RoHS



























































































                                                       PE39448  REV 1.2                                                4
   2207   2208   2209   2210   2211   2212   2213   2214   2215   2216   2217