Page 2295 - NEX10 to SMA RF Cable Assembly Datasheets
P. 2295

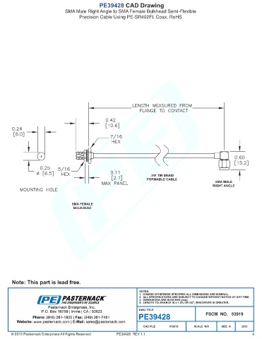
PE39428 CAD Drawing
                               SMA Male Right Angle to SMA Female Bulkhead Semi-Flexible
                                      Precision Cable Using PE-SR402FL Coax, RoHS



























































































                                                       PE39428  REV 1.1                                                4
   2290   2291   2292   2293   2294   2295   2296   2297   2298   2299   2300