Page 2303 - NEX10 to SMA RF Cable Assembly Datasheets
P. 2303

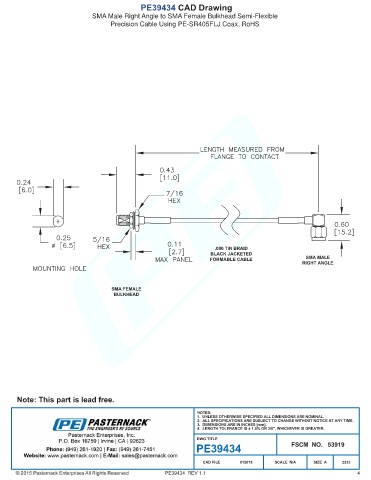
PE39434 CAD Drawing
                               SMA Male Right Angle to SMA Female Bulkhead Semi-Flexible
                                     Precision Cable Using PE-SR405FLJ Coax, RoHS



























































































                                                       PE39434  REV 1.1                                                4
   2298   2299   2300   2301   2302   2303   2304   2305   2306   2307   2308