Page 1663 - 1.0/2.3 to SHV RF Connector Datasheets
P. 1663
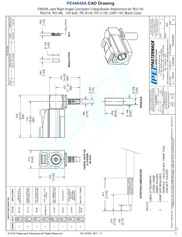
PE44648A CAD Drawing
FAKRA Jack Right Angle Connector Crimp/Solder Attachment for RG174,
RG316, RG188, .100 inch, PE-B100, PE-C100, LMR-100, Black Color
APPROVED S.ELLIS .059 1.50 M5 x P0.8 THE INFORMATION AND DESIGN IN THIS DOCUMENT IS THE PROPERTY OF PASTERNACK CORPORATION. ALL RIGHTS RESERVED. 1 1 N/A REV A
DATE 09/22/19 NUT SHEET OF SCALE
.138 3.50 PE44648A
REVISIONS PART NUMBER
DESCRIPTION INITIAL RELEASE INSULATION Pasternack Enterprises, Inc. P.O.Box 16759, Irvine, CA 92623. Phone: 1.949.261.1920 │ 1.866.727.8376 Fax: 1.949.261.7451 www.pasternack.com │ e-mail: sales@pasternack.com K.DANG
DRAWN BY
.063 1.60
.575 14.60 REF.
CAGE 53919
REV. A SIZE A
.437 11.10 REF. .067 1.70 .128 3.25 FRACTIONS ± 1/32 ANGLES ± 1°
FERRULE UNLESS OTHERWISE SPECIFIED LEADING DIMENSIONS ARE INCHES DIMENSIONS IN [ ] ARE MILLIMETERS TOLERANCES: .2 [5.08] .01 [ .25 ] .005 [ .13 ] ALL DIMENSIONS SHOWN ARE FOR REFERENCE ONLY. THIRD-ANGLE PROJECTION
.154 .X=± .XX=± .XXX=±
.878 22.30 REF. .106 2.70 .374 9.50 3.90
.740 18.80 REF.
.370 9.40 FAKRA JACK RA A CODING BLACK
FERRULE: .128 [3.25] HEX. CRIMP TOOL THESE COMMODITIES, TECHNOLOGY OR SOFTWARE WERE EXPORTED FROM THE UNITED STATES IN ACCORDANCE WITH THE EXPORT ADMINISTRATION REGULATIONS. DIVERSION CONTRARY TO U.S. LAW PROHIBITED.
.535 13.60
STRIPPING DIMENSIONS OUTER: CRIMP. INNER: SOLDER. CRIMP SIZE REQUIRED: CONTACT: SOLDER.
APPLICATION RADIO WITH PHANTOM SUPPLY RADIO WITHOUT PHANTOM SUPPLY GPS: TELEMATICS OR NAVIGATION GSM: CELLULAR PHONE GPS: TELEMATICS AND NAVIGATION BLUETOOTH RADIO WITH IF OUTPUT (ANTENNA DIVERSITY) NEUTRAL CODING .472 12.00 CABLE ATTACHMENT: • • • •
FAKRA CONFIGURATION COLOR BLACK any representation or warranty regarding the suitability of the part described herein for any particular purpose, and Pasternack does not assume any liability arising out of the use of any part or documentation. -
NOTES:
BORDEAUX
WATER
VIOLET
CURRY
WHITE
BEIGE
BLUE
BLUE
2.
1.
Pasternack does not make
CODING JACK A B C D H I K Z .276 7.00 .106 2.70 T-Rev.A
PE44648A REV 1.3 5

