Page 2967 - 1.0/2.3 to SHV RF Connector Datasheets
P. 2967
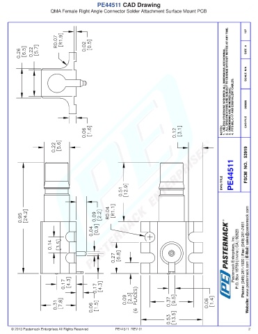
PE44511 CAD Drawing
QMA Female Right Angle Connector Solder Attachment Surface Mount PCB
2. ALL SPECIFICATIONS ARE SUBJECT TO CHANGE WITHOUT NOTICE AT ANY TIME.
127
SIZE A
1. UNLESS OTHERWISE SPECIFIED ALL DIMENSIONS ARE NOMINAL.
SCALE N/A
3. DIMENSIONS ARE IN INCHES [mm]. 4. FITS MIL-C-17 AND EQUIVALENT CABLES. 090806
NOTES: CAD FILE
PE44511 FSCM NO. 53919
DWG TITLE
© 2013 Pasternack Enterprises All Rights Reserved PE44511 REV 01 2

