Page 288 - RF Adapter Datasheets
P. 288
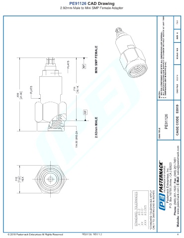
PE91126 CAD Drawing
2.92mm Male to Mini SMP Female Adapter
7361
SIZE A
MINI SMP FEMALE 2. ALL SPECIFICATIONS ARE SUBJECT TO CHANGE WITHOUT NOTICE AT ANY TIME. SCALE N/A
FLATS RP 1. UNLESS OTHERWISE SPECIFIED ALL DIMENSIONS ARE NOMINAL.
3. DIMENSIONS ARE IN INCHES [mm]. 022218
FLATS .714 18.14 CAD FILE
.830 21.08 NOTES:
RP
2.92mm MALE DWG TITLE PE91126 CAGE CODE 53919
1/4-36 UNS-2A
R
P.O. Box 16759 | Irvine | CA | 92623
THE ENGINEER'S RF SOURCE
Pasternack Enterprises, Inc.
HEX
.312 7.92 Pasternack does not make Phone: (949) 261-1920 | Fax: (949) 261-7451 Website: www.pasternack.com | E-Mail: sales@pasternack.com
STANDARD TOLERANCES *STANDARD TOLERANCES APPLY ONLY TO DIMENSIONS IN INCHES -
.XXX ±0.005
.XX ±0.01
.X ±0.2
any representation or warranty regarding the suitability of the part described herein for any particular purpose, and Pasternack does not assume any liability arising out of the use of any part or documentation.
PE91126 REV 1.2 4

