Page 599 - RF Adapter Datasheets
P. 599
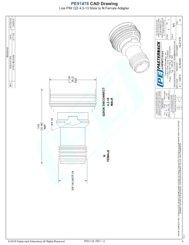
PE91478 CAD Drawing
Low PIM QD 4.3-10 Male to N Female Adapter
1
APPROVED J.GARCIA THE INFORMATION AND DESIGN IN THIS DOCUMENT IS THE PROPERTY OF PASTERNACK CORPORATION. ALL RIGHTS RESERVED. 1 N/A REV A
DATE 01/11/19 SHEET OF SCALE PE91478
REVISIONS PART NUMBER
DESCRIPTION INITIAL RELEASE Pasternack Enterprises, Inc. P.O.Box 16759, Irvine, CA 92623. Phone: 1.949.261.1920 │ 1.866.727.8376 Fax: 1.949.261.7451 www.pasternack.com │ e-mail: sales@pasternack.com DRAWN BY G.HUAN
1.04 26.3 REF. CAGE 53919
REV. SIZE A
QUICK DISCONNECT 4.3-10 MALE UNLESS OTHERWISE SPECIFIED LEADING DIMENSIONS ARE INCHES DIMENSIONS IN [ ] ARE MILLIMETERS TOLERANCES: FRACTIONS .2 [5.08] ± 1/32 .01 [ .25 ] ANGLES ± 1° .005 [ .13 ] ALL DIMENSIONS SHOWN ARE FOR REFERENCE ONLY. THIRD-ANGLE PROJECTION
A/F 16 .X=± .XX=± .XXX=±
1.65 41.95 REF.
N FEMALE
5/8''-24 UNEF-2A THESE COMMODITIES, TECHNOLOGY OR SOFTWARE WERE EXPORTED FROM THE UNITED STATES IN ACCORDANCE WITH THE EXPORT ADMINISTRATION REGULATIONS. DIVERSION CONTRARY TO U.S. LAW PROHIBITED.
-
Pasternack does not make
any representation or warranty regarding the suitability of the part described herein for any particular purpose, and Pasternack does not assume any liability arising out of the use of any part or documentation.
T-Rev.A
PE91478 REV 1.0 4

