Page 712 - RF Adapter Datasheets
P. 712

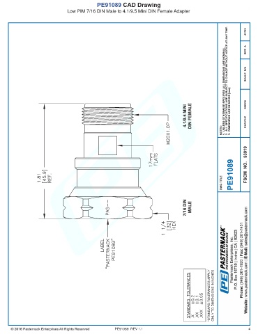
PE91089 CAD Drawing
                                 Low PIM 7/16 DIN Male to 4.1/9.5 Mini DIN Female Adapter





























































































                                                       PE91089  REV 1.1                                                4
   707   708   709   710   711   712   713   714   715   716   717