Page 1371 - BNC to N RF Cable Assembly Datasheets
P. 1371

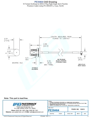
PE39464 CAD Drawing
                                N Female Bulkhead to MMCX Plug Right Angle Semi-Flexible
                                     Precision Cable Using PE-SR405FLJ Coax, RoHS



























































































                                                       PE39464  REV 1.1                                                4
   1366   1367   1368   1369   1370   1371   1372   1373   1374   1375   1376