Page 2201 - NEX10 to SMA RF Cable Assembly Datasheets
P. 2201

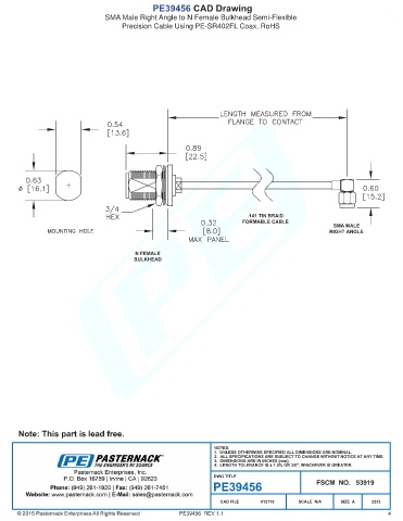
PE39456 CAD Drawing
                                 SMA Male Right Angle to N Female Bulkhead Semi-Flexible
                                      Precision Cable Using PE-SR402FL Coax, RoHS



























































































                                                       PE39456  REV 1.1                                                4
   2196   2197   2198   2199   2200   2201   2202   2203   2204   2205   2206