Page 2593 - NEX10 to SMA RF Cable Assembly Datasheets
P. 2593

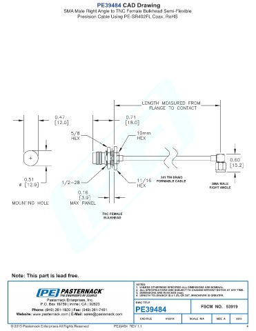
PE39484 CAD Drawing
                                SMA Male Right Angle to TNC Female Bulkhead Semi-Flexible
                                      Precision Cable Using PE-SR402FL Coax, RoHS



























































































                                                       PE39484  REV 1.1                                                4
   2588   2589   2590   2591   2592   2593   2594   2595   2596   2597   2598