Page 1552 - 1.0/2.3 to SHV RF Connector Datasheets
P. 1552
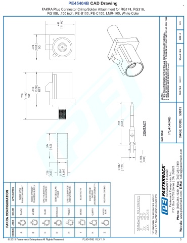
PE45404B CAD Drawing
FAKRA Plug Connector Crimp/Solder Attachment for RG174, RG316,
RG188, .100 inch, PE-B100, PE-C100, LMR-100, White Color
ALL SPECIFICATIONS ARE SUBJECT TO CHANGE WITHOUT NOTICE AT ANY TIME.
.433 11.00 9999
UNLESS OTHERWISE SPECIFIED ALL DIMENSIONS ARE NOMINAL.
SIZE A
.374 9.50 SQ
SCALE N/A
DIMENSIONS ARE IN INCHES [mm]. 082917
.512 13.00 REF CAD FILE
.705 17.90 REF NOTES: 1. 2. 3.
CONTACT DWG TITLE
.317 8.05 PE45404B CAGE CODE 53919
.374 9.50
.024 0.60
Pasternack does not make Phone: (949) 261-1920 | Fax: (949) 261-7451
.047 1.20 R
THE ENGINEER'S RF SOURCE Pasternack Enterprises, Inc. P.O. Box 16759 | Irvine | CA | 92623 Website: www.pasternack.com | E-Mail: sales@pasternack.com
.128 3.25 .154 3.90
STANDARD TOLERANCES *STANDARD TOLERANCES APPLY ONLY TO DIMENSIONS IN INCHES -
.XXX ±0.005
.XX ±0.01
.X ±0.2
any representation or warranty regarding the suitability of the part described herein for any particular purpose, and Pasternack does not assume any liability arising out of the use of any part or documentation.
PE45404B REV 1.0 5

