Page 1557 - 1.0/2.3 to SHV RF Connector Datasheets
P. 1557
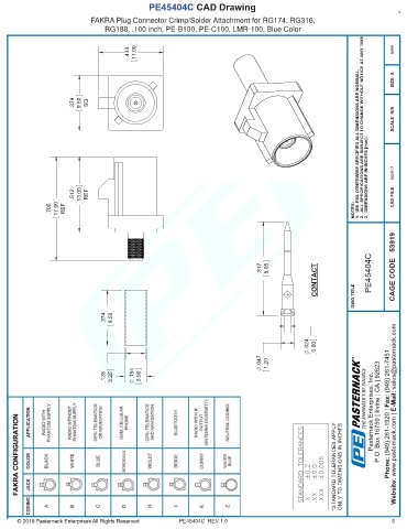
PE45404C CAD Drawing
FAKRA Plug Connector Crimp/Solder Attachment for RG174, RG316,
RG188, .100 inch, PE-B100, PE-C100, LMR-100, Blue Color
2. ALL SPECIFICATIONS ARE SUBJECT TO CHANGE WITHOUT NOTICE AT ANY TIME.
.433 11.00 9999
1. UNLESS OTHERWISE SPECIFIED ALL DIMENSIONS ARE NOMINAL.
SIZE A
.374 9.50 SQ
SCALE N/A
3. DIMENSIONS ARE IN INCHES [mm]. 082917
.512 13.00 REF CAD FILE
.705 17.90 REF NOTES:
.317 8.05 PE45404C CAGE CODE 53919
CONTACT
DWG TITLE
.374 9.50
.024 0.60
Pasternack does not make Phone: (949) 261-1920 | Fax: (949) 261-7451
.047 1.20 R
THE ENGINEER'S RF SOURCE Pasternack Enterprises, Inc. P.O. Box 16759 | Irvine | CA | 92623 Website: www.pasternack.com | E-Mail: sales@pasternack.com
.128 3.25 .154 3.90
STANDARD TOLERANCES *STANDARD TOLERANCES APPLY ONLY TO DIMENSIONS IN INCHES -
.XXX ±0.005
.XX ±0.01
.X ±0.2
any representation or warranty regarding the suitability of the part described herein for any particular purpose, and Pasternack does not assume any liability arising out of the use of any part or documentation.
PE45404C REV 1.0 5

