Page 1567 - 1.0/2.3 to SHV RF Connector Datasheets
P. 1567
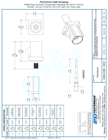
PE45404H CAD Drawing
FAKRA Plug Connector Crimp/Solder Attachment for RG174, RG316,
RG188, .100 inch, PE-B100, PE-C100, LMR-100, Violet Color
2. ALL SPECIFICATIONS ARE SUBJECT TO CHANGE WITHOUT NOTICE AT ANY TIME.
.433 11.00 9999
1. UNLESS OTHERWISE SPECIFIED ALL DIMENSIONS ARE NOMINAL.
SIZE A
.374 9.50 SQ
SCALE N/A
3. DIMENSIONS ARE IN INCHES [mm]. 082917
.512 13.00 REF CAD FILE
.705 17.90 REF NOTES:
.317 8.05 PE45404H CAGE CODE 53919
CONTACT
DWG TITLE
.374 9.50
.024 0.60
.047 1.20 R
THE ENGINEER'S RF SOURCE Pasternack Enterprises, Inc. P.O. Box 16759 | Irvine | CA | 92623 Phone: (949) 261-1920 | Fax: (949) 261-7451 Website: www.pasternack.com | E-Mail: sales@pasternack.com
.128 3.25 .154 3.90
STANDARD TOLERANCES .X ±0.2 .XX ±0.01 .XXX ±0.005 *STANDARD TOLERANCES APPLY ONLY TO DIMENSIONS IN INCHES
PE45404H REV 1.0 5

