Page 3003 - RF Attenuator Datasheets
P. 3003

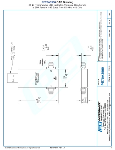
PE70A3900 CAD Drawing
                                30 dB Programmable USB Controlled Attenuator, SMA Female
                                    to SMA Female, 1 dB Steps From 100 MHz to 18 GHz



























































































                                                       PE70A3900  REV 1.0                                              8
   2998   2999   3000   3001   3002   3003   3004   3005   3006   3007   3008