Page 3045 - RF Attenuator Datasheets
P. 3045

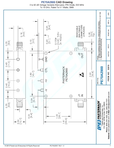
PE70A2900 CAD Drawing
                                 0 to 60 dB Voltage Variable Attenuator, PIN Diode, 500 MHz
                                            To 18 GHz, Rated To 0.1 Watts, SMA



























































































                                                       PE70A2900  REV 1.0                                              7
   3040   3041   3042   3043   3044   3045   3046   3047   3048   3049   3050