Page 1597 - BNC to N RF Cable Assembly Datasheets
P. 1597

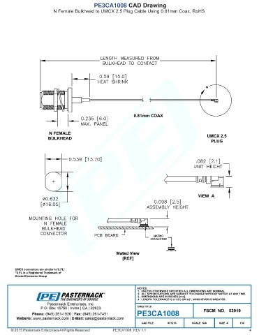
PE3CA1008 CAD Drawing
                          N Female Bulkhead to UMCX 2.5 Plug Cable Using 0.81mm Coax, RoHS





























































































                                                      PE3CA1008  REV 1.1                                               4
   1592   1593   1594   1595   1596   1597   1598   1599   1600   1601   1602