Page 1601 - BNC to N RF Cable Assembly Datasheets
P. 1601

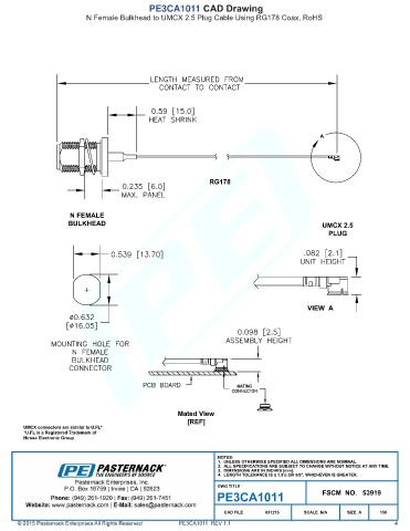
PE3CA1011 CAD Drawing
                           N Female Bulkhead to UMCX 2.5 Plug Cable Using RG178 Coax, RoHS





























































































                                                      PE3CA1011  REV 1.1                                               4
   1596   1597   1598   1599   1600   1601   1602   1603   1604   1605   1606