Page 1605 - BNC to N RF Cable Assembly Datasheets
P. 1605

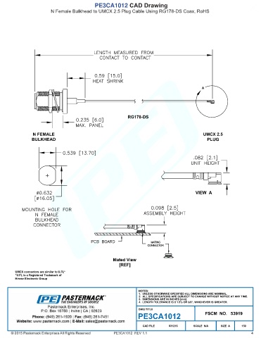
PE3CA1012 CAD Drawing
                         N Female Bulkhead to UMCX 2.5 Plug Cable Using RG178-DS Coax, RoHS





























































































                                                      PE3CA1012  REV 1.1                                               4
   1600   1601   1602   1603   1604   1605   1606   1607   1608   1609   1610