Page 1609 - BNC to N RF Cable Assembly Datasheets
P. 1609

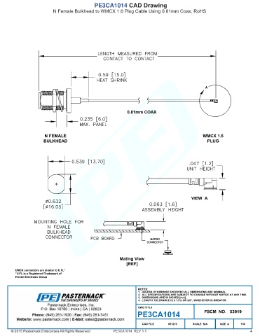
PE3CA1014 CAD Drawing
                          N Female Bulkhead to WMCX 1.6 Plug Cable Using 0.81mm Coax, RoHS





























































































                                                      PE3CA1014  REV 1.1                                               4
   1604   1605   1606   1607   1608   1609   1610   1611   1612   1613   1614