Basic HTML Version
Table of Contents
View Full Version
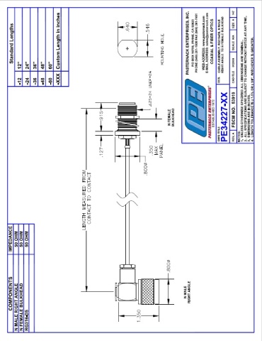
Page 2765 - BNC to N RF Cable Assembly Datasheets
P. 2765
2760
2761
2762
2763
2764
2765
2766
2767
2768
2769
2770