Page 468 - SMB to 95 Ohm 3/4"-20 Twinax RF Cable Assembly Datasheets
P. 468

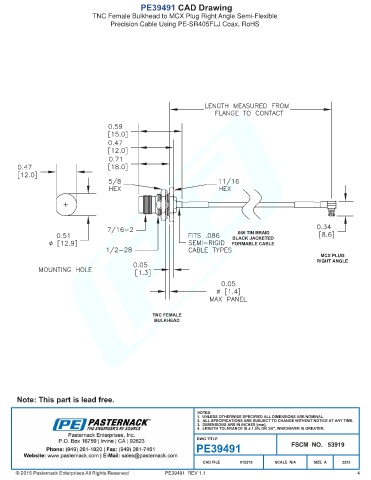
PE39491 CAD Drawing
                                TNC Female Bulkhead to MCX Plug Right Angle Semi-Flexible
                                     Precision Cable Using PE-SR405FLJ Coax, RoHS



























































































                                                       PE39491  REV 1.1                                                4
   463   464   465   466   467   468   469   470   471   472   473