Page 1156 - 1.0/2.3 to SHV RF Connector Datasheets
P. 1156
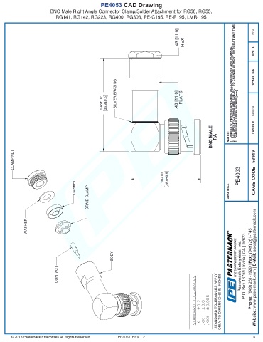
PE4053 CAD Drawing
BNC Male Right Angle Connector Clamp/Solder Attachment for RG58, RG55,
RG141, RG142, RG223, RG400, RG303, PE-C195, PE-P195, LMR-195
2. ALL SPECIFICATIONS ARE SUBJECT TO CHANGE WITHOUT NOTICE AT ANY TIME.
.43 [11.0] HEX 7316
SIZE A
SCALE N/A
SILVER BRAZING FLATS 1. UNLESS OTHERWISE SPECIFIED ALL DIMENSIONS ARE NOMINAL.
1.45±.02 36.9±0.5 .43 [11.0]
3. DIMENSIONS ARE IN INCHES [mm]. 04/09/18
BNC MALE RA NOTES: CAD FILE
CLAMP NUT
1.10±.02 28.0±0.5 PE4053 CAGE CODE 53919
GASKET DWG TITLE
BRAID CLAMP
WASHER R
P.O. Box 16759 | Irvine | CA | 92623
Pasternack Enterprises, Inc.
BODY THE ENGINEER'S RF SOURCE
CONTACT Pasternack does not make Phone: (949) 261-1920 | Fax: (949) 261-7451 Website: www.pasternack.com | E-Mail: sales@pasternack.com
STANDARD TOLERANCES *STANDARD TOLERANCES APPLY ONLY TO DIMENSIONS IN INCHES -
.XXX ±0.005
.XX ±0.01
.X ±0.2
any representation or warranty regarding the suitability of the part described herein for any particular purpose, and Pasternack does not assume any liability arising out of the use of any part or documentation.
PE4053 REV 1.2 5

