Page 1176 - 1.0/2.3 to SHV RF Connector Datasheets
P. 1176

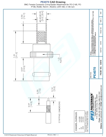
PE4070 CAD Drawing
                             BNC Female Connector Crimp/Solder Attachment for PE-C195, PE-
                                     P195, RG58, RG141, RG303, LMR-195, 0.195 inch



























































































                                                        PE4070  REV 1.1                                                4
   1171   1172   1173   1174   1175   1176   1177   1178   1179   1180   1181