Page 2228 - 1.0/2.3 to SHV RF Connector Datasheets
P. 2228

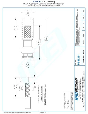
PE45251 CAD Drawing
                                  MMBX Plug Snap-On Connector Crimp/Solder Attachment
                                        for RG316, RG174, With Male Center Contact



























































































                                                        PE45251  REV 1                                                 4
   2223   2224   2225   2226   2227   2228   2229   2230   2231   2232   2233