Page 2646 - 1.0/2.3 to SHV RF Connector Datasheets
P. 2646
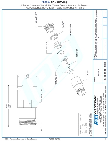
PE4059 CAD Drawing
N Female Connector Clamp/Solder (Captive Contact) Attachment for RG213,
RG214, RG8, RG9, RG11, RG225, RG393, RG144, RG216, RG215
CLAMP NUT 7361
GASKET SIZE A
BRAID CLAMP 2. ALL SPECIFICATIONS ARE SUBJECT TO CHANGE WITHOUT NOTICE AT ANY TIME. SCALE N/A
WASHER 1. UNLESS OTHERWISE SPECIFIED ALL DIMENSIONS ARE NOMINAL. 3. DIMENSIONS ARE IN INCHES [mm]. 05/01/18
CONTACT NOTES: CAD FILE
BODY PE4059 CAGE CODE 53919
.750 19.05
INSULATOR DWG TITLE
.688 FLATS R
Pasternack does not make Phone: (949) 261-1920 | Fax: (949) 261-7451
THE ENGINEER'S RF SOURCE Pasternack Enterprises, Inc. P.O. Box 16759 | Irvine | CA | 92623 Website: www.pasternack.com | E-Mail: sales@pasternack.com
1.560 39.62 REF
STANDARD TOLERANCES *STANDARD TOLERANCES APPLY ONLY TO DIMENSIONS IN INCHES -
.XXX ±0.005
.XX ±0.01
5/8-24 .X ±0.2
any representation or warranty regarding the suitability of the part described herein for any particular purpose, and Pasternack does not assume any liability arising out of the use of any part or documentation.
PE4059 REV 1.2 5

