Page 1778 - RF Adapter Datasheets
P. 1778

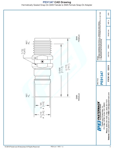
PE91347 CAD Drawing
                        Hermetically Sealed Snap-On QMA Female to SMA Female Snap-On Adapter





























































































                                                       PE91347  REV 1.0                                                4
   1773   1774   1775   1776   1777   1778   1779   1780   1781   1782   1783