Page 2588 - RF Adapter Datasheets
P. 2588
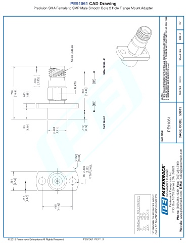
PE91061 CAD Drawing
Precision SMA Female to SMP Male Smooth Bore 2 Hole Flange Mount Adapter
7361
SIZE A
1/4-36 UNS-2A 2. ALL SPECIFICATIONS ARE SUBJECT TO CHANGE WITHOUT NOTICE AT ANY TIME. SCALE N/A
SMA FEMALE 1. UNLESS OTHERWISE SPECIFIED ALL DIMENSIONS ARE NOMINAL.
.076 1.93 RP 3. DIMENSIONS ARE IN INCHES [mm]. 022218
FLATS
.780 19.81 .065 1.65 .593 15.06 CAD FILE
NOTES:
RP
SMP MALE CAGE CODE 53919
PE91061
.165 4.19 .280 .110 2.79
DWG TITLE
7.11
.625 15.88
R
P.O. Box 16759 | Irvine | CA | 92623
.103 2.62 THRU ALL
Pasternack Enterprises, Inc.
2X
.281 7.14 THE ENGINEER'S RF SOURCE
Pasternack does not make Phone: (949) 261-1920 | Fax: (949) 261-7451
Website: www.pasternack.com | E-Mail: sales@pasternack.com
STANDARD TOLERANCES *STANDARD TOLERANCES APPLY ONLY TO DIMENSIONS IN INCHES -
.141 3.57
.450 11.43
.XXX ±0.005
.XX ±0.01
.X ±0.2
any representation or warranty regarding the suitability of the part described herein for any particular purpose, and Pasternack does not assume any liability arising out of the use of any part or documentation.
PE91061 REV 1.3 4

