Page 2584 - RF Adapter Datasheets
P. 2584

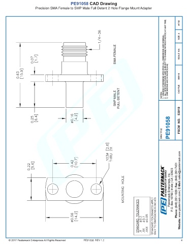
PE91058 CAD Drawing
                        Precision SMA Female to SMP Male Full Detent 2 Hole Flange Mount Adapter














                                                                            SMA FEMALE

















                                                                            SMP MALE  FULL DETENT


























































                                                       PE91058  REV 1.2                                                4
   2579   2580   2581   2582   2583   2584   2585   2586   2587   2588   2589