Page 2938 - RF Attenuator Datasheets
P. 2938

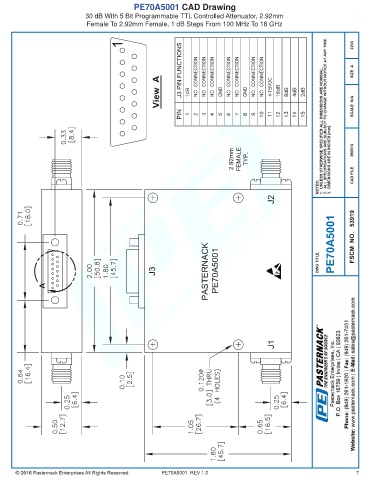
PE70A5001 CAD Drawing
                             30 dB With 5 Bit Programmable TTL Controlled Attenuator, 2.92mm
                              Female To 2.92mm Female, 1 dB Steps From 100 MHz To 18 GHz



























































































                                                       PE70A5001  REV 1.0                                              7
   2933   2934   2935   2936   2937   2938   2939   2940   2941   2942   2943