Page 1585 - BNC to N RF Cable Assembly Datasheets
P. 1585

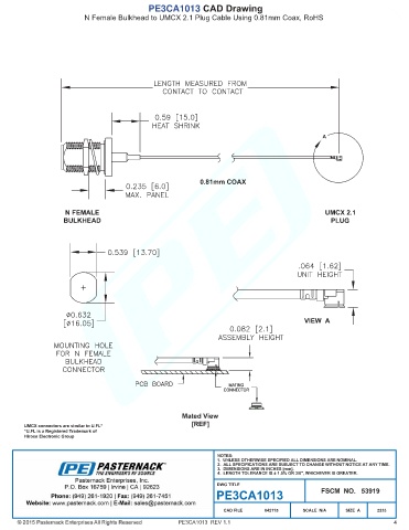
PE3CA1013 CAD Drawing
                          N Female Bulkhead to UMCX 2.1 Plug Cable Using 0.81mm Coax, RoHS





























































































                                                      PE3CA1013  REV 1.1                                               4
   1580   1581   1582   1583   1584   1585   1586   1587   1588   1589   1590