Page 1589 - BNC to N RF Cable Assembly Datasheets
P. 1589

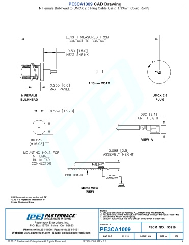
PE3CA1009 CAD Drawing
                          N Female Bulkhead to UMCX 2.5 Plug Cable Using 1.13mm Coax, RoHS





























































































                                                      PE3CA1009  REV 1.1                                               4
   1584   1585   1586   1587   1588   1589   1590   1591   1592   1593   1594