Page 454 - BNC to N RF Cable Assembly Datasheets
P. 454
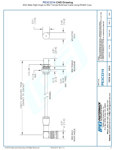
PE3C3314 CAD Drawing
BNC Male Right Angle to BNC Female Bulkhead Cable Using RG400 Coax
-
Pasternack does not make
any representation or warranty regarding the suitability of the part described herein for any particular purpose, and Pasternack does not assume any liability arising out of the use of any part or documentation.
PE3C3314 REV 1.0 6

