Page 1111 - 1.0/2.3 to SHV RF Connector Datasheets
P. 1111
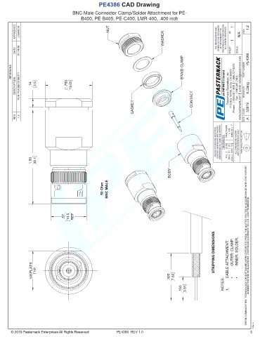
PE4386 CAD Drawing
BNC Male Connector Clamp/Solder Attachment for PE-
B400, PE-B405, PE-C400, LMR-400, .400 inch
APPROVED J.GARCIA NUT WASHER THE INFORMATION AND DESIGN IN THIS DOCUMENT IS THE PROPERTY OF PASTERNACK CORPORATION. ALL RIGHTS RESERVED. 1 1 N/A REV 1.2
DATE 01/14/19 SHEET OF SCALE PE4386
REVISIONS BRAID CLAMP PART NUMBER
DESCRIPTION PCR PE4386 20190111 .14 3.5 .750 19.05 Pasternack Enterprises, Inc. P.O.Box 16759, Irvine, CA 92623. Phone: 1.949.261.1920 │ 1.866.727.8376 Fax: 1.949.261.7451 www.pasternack.com │ e-mail: sales@pasternack.com DRAWN BY K.Dang
GASKET CONTACT CAGE 53919
REV. 1.2 SIZE A
UNLESS OTHERWISE SPECIFIED LEADING DIMENSIONS ARE INCHES DIMENSIONS IN [ ] ARE MILLIMETERS TOLERANCES: FRACTIONS ± 1/32 ANGLES ± 1° ALL DIMENSIONS SHOWN ARE FOR REFERENCE ONLY. THIRD-ANGLE PROJECTION
.2 [5.08] .X=± .01 [ .25 ] .XX=± .005 [ .13 ]
1.50 38.1 .XXX=±
BODY
50 Ohm BNC MALE
.57 14.5 REF
STRIPPING DIMENSIONS CABLE ATTACHMENT: OUTER: CLAMP. INNER: SOLDER. THESE COMMODITIES, TECHNOLOGY OR SOFTWARE WERE EXPORTED FROM THE UNITED STATES IN ACCORDANCE WITH THE EXPORT ADMINISTRATION REGULATIONS. DIVERSION CONTRARY TO U.S. LAW PROHIBITED.
5/8 FLATS TYP.
.300 7.62 NOTES: • •
.150 3.81 1.
-
Pasternack does not make
any representation or warranty regarding the suitability of the part described herein for any particular purpose, and Pasternack does not assume any liability arising out of the use of any part or documentation.
T-Rev.A
PE4386 REV 1.0 5

