Page 1144 - 1.0/2.3 to SHV RF Connector Datasheets
P. 1144
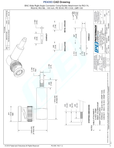
PE4393 CAD Drawing
BNC Male Right Angle Connector Crimp/Solder Attachment for RG174,
RG316, RG188, .100 inch, PE-B100, PE-C100, LMR-100
APPROVED SELLIS .118 +.004 -.002 3.00 +0.10 -0.05 THE INFORMATION AND DESIGN IN THIS DOCUMENT IS THE PROPERTY OF PASTERNACK CORPORATION. ALL RIGHTS RESERVED. 1 1 N/A REV 1.2
DATE 06/03/19 .024 0.60 SHEET OF SCALE
.276 7.00 METAL SPACER PE4393
REVISIONS PART NUMBER
DESCRIPTION PCR PE4393 20190530 .374 9.50 CONTACT .587 14.90 FERRULE Pasternack Enterprises, Inc. P.O.Box 16759, Irvine, CA 92623. Phone: 1.949.261.1920 │ 1.866.727.8376 Fax: 1.949.261.7451 www.pasternack.com │ e-mail: sales@pasternack.com KDANG
DRAWN BY
REV. 1.2 .248 6.30 INSULATION CAGE 53919
.213 5.40 .173 4.40 FRACTIONS ± 1/32 ANGLES ± 1° SIZE A
UNLESS OTHERWISE SPECIFIED LEADING DIMENSIONS ARE INCHES DIMENSIONS IN [ ] ARE MILLIMETERS TOLERANCES: ALL DIMENSIONS SHOWN ARE FOR REFERENCE ONLY. THIRD-ANGLE PROJECTION
.106 2.70 .2 [5.08] .01 [ .25 ] .005 [ .13 ]
.146 3.70 REF. .X=± .XX=± .XXX=±
.295 7.50
1.441±.020 36.60±0.50
FERRULE: .178 [4.52] HEX. CRIMP TOOL CONTACT: .068 [1.73] HEX. CRIMP TOOL.
.650 16.50 .500 12.70 .400 10.16
STRIPPING DIMENSIONS CABLE ATTACHMENT: OUTER: CRIMP. CRIMP SIZE REQUIRED:
INNER: SOLDER/CRIMP. THESE COMMODITIES, TECHNOLOGY OR SOFTWARE WERE EXPORTED FROM THE UNITED STATES IN ACCORDANCE WITH THE EXPORT ADMINISTRATION REGULATIONS. DIVERSION CONTRARY TO U.S. LAW PROHIBITED.
.571 14.50 REF.
NOTES: • • • •
1.063±.020 27.00±0.50 1. 2. -
Pasternack does not make
any representation or warranty regarding the suitability of the part described herein for any particular purpose, and Pasternack does not assume any liability arising out of the use of any part or documentation.
T-Rev.A
PE4393 REV 1.2 3

