Page 1194 - 1.0/2.3 to SHV RF Connector Datasheets
P. 1194

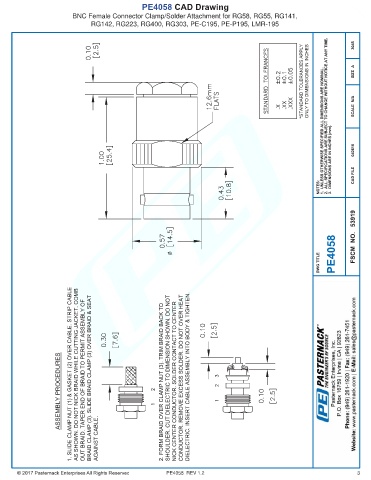
PE4058 CAD Drawing
                         BNC Female Connector Clamp/Solder Attachment for RG58, RG55, RG141,
                               RG142, RG223, RG400, RG303, PE-C195, PE-P195, LMR-195



























































































                                                        PE4058  REV 1.2                                                3
   1189   1190   1191   1192   1193   1194   1195   1196   1197   1198   1199