Page 1191 - 1.0/2.3 to SHV RF Connector Datasheets
P. 1191

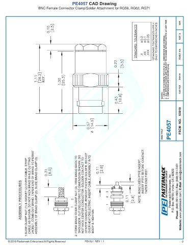
PE4057 CAD Drawing
                          BNC Female Connector Clamp/Solder Attachment for RG59, RG62, RG71





























































































                                                        PE4057  REV 1.1                                                3
   1186   1187   1188   1189   1190   1191   1192   1193   1194   1195   1196