Page 1225 - 1.0/2.3 to SHV RF Connector Datasheets
P. 1225

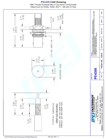
PE4309 CAD Drawing
                                   BNC Female Bulkhead Mount Connector Crimp/Solder
                                    Attachment for RG59, RG62, RG71, .480 inch D Hole



























































































                                                        PE4309  REV 1.2                                                3
   1220   1221   1222   1223   1224   1225   1226   1227   1228   1229   1230