Page 1297 - 1.0/2.3 to SHV RF Connector Datasheets
P. 1297
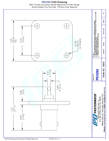
PE4395 CAD Drawing
BNC Female Connector Solder Attachment 4 Hole Flange
Mount Solder Cup Terminal, .718 inch Hole Spacing
2. ALL SPECIFICATIONS ARE SUBJECT TO CHANGE WITHOUT NOTICE AT ANY TIME.
127
SIZE A
1. UNLESS OTHERWISE SPECIFIED ALL DIMENSIONS ARE NOMINAL.
SCALE N/A
3. DIMENSIONS ARE IN INCHES [mm]. 4. FITS MIL-C-17 AND EQUIVALENT CABLES. 051302
NOTES: CAD FILE
DWG TITLE PE4395 FSCM NO. 53919
PE4395 REV 1.1 3

