Page 1306 - 1.0/2.3 to SHV RF Connector Datasheets
P. 1306
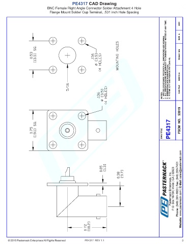
PE4317 CAD Drawing
BNC Female Right Angle Connector Solder Attachment 4 Hole
Flange Mount Solder Cup Terminal, .531 inch Hole Spacing
2. ALL SPECIFICATIONS ARE SUBJECT TO CHANGE WITHOUT NOTICE AT ANY TIME.
2231
SIZE A
1. UNLESS OTHERWISE SPECIFIED ALL DIMENSIONS ARE NOMINAL.
SCALE N/A
3. DIMENSIONS ARE IN INCHES [mm]. 4. FITS MIL-C-17 AND EQUIVALENT CABLES. 020513-A
NOTES: CAD FILE
DWG TITLE PE4317 FSCM NO. 53919
PE4317 REV 1.1 3

