Page 1303 - 1.0/2.3 to SHV RF Connector Datasheets
P. 1303

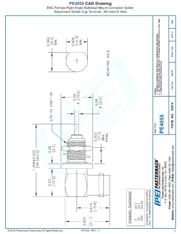
PE4055 CAD Drawing
                                 BNC Female Right Angle Bulkhead Mount Connector Solder
                                      Attachment Solder Cup Terminal, .361 inch D Hole



























































































                                                        PE4055  REV 1.1                                                3
   1298   1299   1300   1301   1302   1303   1304   1305   1306   1307   1308