Page 2072 - 1.0/2.3 to SHV RF Connector Datasheets
P. 2072

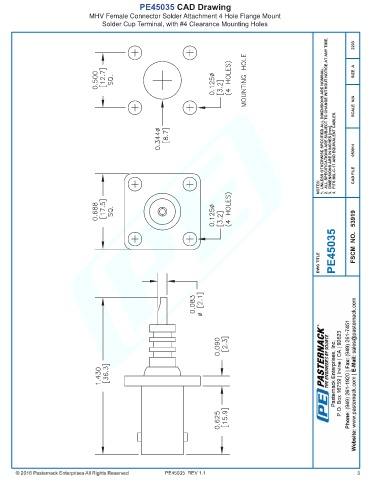
PE45035 CAD Drawing
                              MHV Female Connector Solder Attachment 4 Hole Flange Mount
                                   Solder Cup Terminal, with #4 Clearance Mounting Holes



























































































                                                       PE45035  REV 1.1                                                3
   2067   2068   2069   2070   2071   2072   2073   2074   2075   2076   2077