Page 2282 - 1.0/2.3 to SHV RF Connector Datasheets
P. 2282

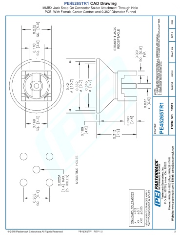
PE45265TR1 CAD Drawing
                              MMBX Jack Snap-On Connector Solder Attachment Through Hole
                               PCB, With Female Center Contact and 0.382” Diameter Funnel



























































































                                                      PE45265TR1  REV 1.0                                              3
   2277   2278   2279   2280   2281   2282   2283   2284   2285   2286   2287