Page 2574 - 1.0/2.3 to SHV RF Connector Datasheets
P. 2574
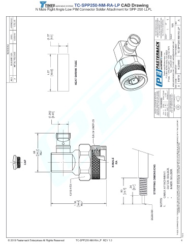
TC-SPP250-NM-RA-LP CAD Drawing
N Male Right Angle Low PIM Connector Solder Attachment for SPP-250-LLPL
APPROVED S.ELLIS THE INFORMATION AND DESIGN IN THIS DOCUMENT IS THE PROPERTY OF PASTERNACK CORPORATION. ALL RIGHTS RESERVED. 1 1 N/A REV A
DATE 03/06/19 .37 9.5 SHEET OF SCALE TC-SPP250-NM-RA-LP
REVISIONS PART NUMBER
DESCRIPTION INITIAL RELEASE Pasternack Enterprises, Inc. P.O.Box 16759, Irvine, CA 92623. www.pasternack.com │ e-mail: sales@pasternack.com
Phone: 1.949.261.1920 │ 1.866.727.8376 Fax: 1.949.261.7451 DRAWN BY K.DANG
1.57 40.0 HEAT SHRINK TUBE
REV. A CAGE SIZE 53919 A
UNLESS OTHERWISE SPECIFIED LEADING DIMENSIONS ARE INCHES DIMENSIONS IN [ ] ARE MILLIMETERS TOLERANCES: FRACTIONS .2 [5.08] ± 1/32 .01 [ .25 ] ANGLES ± 1° .005 [ .13 ] ALL DIMENSIONS SHOWN ARE FOR REFERENCE ONLY. THIRD-ANGLE PROJECTION
.262 6.65 .X=± .XX=± .XXX=±
5/8-24 UNEF-2B
.95 24.2 REF
CAP N MALE RA
STRIPPING DIMENSIONS CABLE ATTACHMENT: OUTER: SOLDER. INNER: SOLDER. THESE COMMODITIES, TECHNOLOGY OR SOFTWARE WERE EXPORTED FROM THE UNITED STATES IN ACCORDANCE WITH THE EXPORT ADMINISTRATION REGULATIONS. DIVERSION CONTRARY TO U.S. LAW PROHIBITED.
13/16 HEX .93 23.7 .34 8.7
1.36 34.6 REF NOTES: • •
1.
DEBURR -
Pasternack does not make
any representation or warranty regarding the suitability of the part described herein for any particular purpose, and Pasternack does not assume any liability arising out of the use of any part or documentation.
T-Rev.B
TC-SPP250-NM-RA-LP REV 1.0 4

