Page 2570 - 1.0/2.3 to SHV RF Connector Datasheets
P. 2570
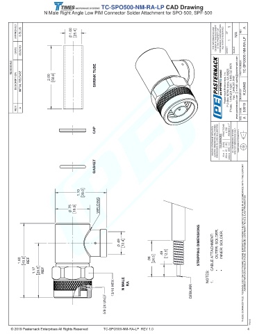
TC-SPO500-NM-RA-LP CAD Drawing
N Male Right Angle Low PIM Connector Solder Attachment for SPO-500, SPF-500
APPROVED S.ELLIS 1.00 25.4 THE INFORMATION AND DESIGN IN THIS DOCUMENT IS THE PROPERTY OF PASTERNACK CORPORATION. ALL RIGHTS RESERVED. 1 1 N/A REV A
DATE 05/30/19 SHEET OF SCALE TC-SPO500-NM-RA-LP
REVISIONS PART NUMBER
DESCRIPTION INITIAL RELEASE 2.00 50.8 SHRINK TUBE Pasternack Enterprises, Inc. P.O.Box 16759, Irvine, CA 92623. Phone: 1.949.261.1920 │ 1.866.727.8376 Fax: 1.949.261.7451 www.pasternack.com │ e-mail: sales@pasternack.com DRAWN BY K.DANG
REV. A CAGE SIZE 53919 A
UNLESS OTHERWISE SPECIFIED LEADING DIMENSIONS ARE INCHES DIMENSIONS IN [ ] ARE MILLIMETERS TOLERANCES: .2 [5.08] .01 [ .25 ] .005 [ .13 ] ALL DIMENSIONS SHOWN ARE FOR REFERENCE ONLY. THIRD-ANGLE PROJECTION
CAP FRACTIONS ± 1/32 ANGLES ± 1°
GASKET .X=± .XX=± .XXX=±
1.10 28.0
.75 18.9 WELDING
.49 12.4 OUTER: SOLDER. THESE COMMODITIES, TECHNOLOGY OR SOFTWARE WERE EXPORTED FROM THE UNITED STATES IN ACCORDANCE WITH THE EXPORT ADMINISTRATION REGULATIONS. DIVERSION CONTRARY TO U.S. LAW PROHIBITED.
STRIPPING DIMENSIONS INNER: SOLDER.
.49 12.5 CABLE ATTACHMENT:
1.60 40.6 REF .96 24.5
1.17 29.8 REF NOTES: • •
13/16 HEX N MALE RA DEBURR 1.
5/8-24 UNEF
Pasternack does not make
any representation or warranty regarding the suitability of the part described herein for any particular purpose, and Pasternack does not assume any liability arising out of the use of any part or documentation. -
T-Rev.B
TC-SPO500-NM-RA-LP REV 1.0 4

