Page 2698 - 1.0/2.3 to SHV RF Connector Datasheets
P. 2698
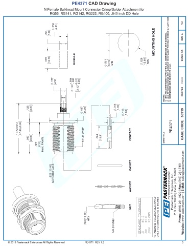
PE4371 CAD Drawing
N Female Bulkhead Mount Connector Crimp/Solder Attachment for
RG55, RG141, RG142, RG223, RG400, .640 inch DD Hole
7361
.256
6.50
MOUNTING HOLE
.224 5.70
SIZE A
SCALE N/A
.500 12.70 FERRULE .531 .626 15.90 MIN 2. ALL SPECIFICATIONS ARE SUBJECT TO CHANGE WITHOUT NOTICE AT ANY TIME.
13.49 MIN 1. UNLESS OTHERWISE SPECIFIED ALL DIMENSIONS ARE NOMINAL.
.177 4.50 .122 +.004 -.000 3.10 +0.10 0.00 3. DIMENSIONS ARE IN INCHES [mm]. 012518
NOTES: CAD FILE
.126 3.20 .827 21.00 .043 1.09
.118 3.00
CAGE CODE 53919
1.472±.012 37.40±0.30 PE4371
.917 23.30 DWG TITLE
5/8-24 UNEF .764 19.41 CONTACT
.327 8.31 MAX. PANEL
.528 [13.40] ACROSS FLATS GASKET R
P.O. Box 16759 | Irvine | CA | 92623
THE ENGINEER'S RF SOURCE
Pasternack Enterprises, Inc.
WASHER Pasternack does not make Phone: (949) 261-1920 | Fax: (949) 261-7451 Website: www.pasternack.com | E-Mail: sales@pasternack.com
NUT
.748 [19.00] HEX STANDARD TOLERANCES *STANDARD TOLERANCES APPLY ONLY TO DIMENSIONS IN INCHES -
.XXX ±0.005
.XX ±0.01
.X ±0.2
5/8-24 UNEF
any representation or warranty regarding the suitability of the part described herein for any particular purpose, and Pasternack does not assume any liability arising out of the use of any part or documentation.
PE4371 REV 1.2 5

