Page 2723 - 1.0/2.3 to SHV RF Connector Datasheets
P. 2723
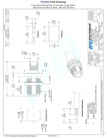
PE4940 CAD Drawing
N Female Bulkhead Mount Connector Crimp/Solder
Attachment for RG213, RG8, .640 inch DD Hole
APPROVED SELLIS .098 2.50 1 N/A REV 1.1
.120 3.05 THE INFORMATION AND DESIGN IN THIS DOCUMENT IS THE PROPERTY OF PASTERNACK CORPORATION. ALL RIGHTS RESERVED. SHEET OF 1
DATE 04/27/19 .482 12.25 SCALE
REVISIONS PART NUMBER PE4940
DESCRIPTION PCR PE4940 20190424 .768 19.50 CONTACT .681 17.30 FERRULE Pasternack Enterprises, Inc. P.O.Box 16759, Irvine, CA 92623. Phone: 1.949.261.1920 │ 1.866.727.8376 Fax: 1.949.261.7451 www.pasternack.com │ e-mail: sales@pasternack.com DRAWN BY KDANG
REV. 1.1 CAGE 53919
.417 10.60
SIZE A
.374 9.50 REF. .297 7.55 FRACTIONS ± 1/32 ANGLES ± 1°
UNLESS OTHERWISE SPECIFIED LEADING DIMENSIONS ARE INCHES DIMENSIONS IN [ ] ARE MILLIMETERS TOLERANCES: .2 [5.08] .01 [ .25 ] .005 [ .13 ] ALL DIMENSIONS SHOWN ARE FOR REFERENCE ONLY. THIRD-ANGLE PROJECTION
.807 .X=± .XX=±
20.50 .XXX=±
.126 3.20
1.575±.020 40.00±0.50 3/4 HEX.
.915 23.24
.327 8.30 MAX. PANEL
5/8-24 UNEF .528 [13.40] ACROSS FLATS FERRULE: .429 [10.90] HEX. CRIMP TOOL. THESE COMMODITIES, TECHNOLOGY OR SOFTWARE WERE EXPORTED FROM THE UNITED STATES IN ACCORDANCE WITH THE EXPORT ADMINISTRATION REGULATIONS. DIVERSION CONTRARY TO U.S. LAW PROHIBITED.
.400 10.16
INNER: SOLDER.
STRIPPING DIMENSIONS CABLE ATTACHMENT: OUTER: CRIMP. CRIMP SIZE REQUIRED:
.531 +.005 -.000 13.49 +0.13 0.00 MOUNTING HOLE .825 20.96
NOTES: • • •
1.
2.
Pasternack does not make
.628 +.005 15.95 +0.13 .150 3.81
-.000
0.00
any representation or warranty regarding the suitability of the part described herein for any particular purpose, and Pasternack does not assume any liability arising out of the use of any part or documentation. -
T-Rev.A
PE4940 REV 1.1 3

