Page 2765 - RF Attenuator Datasheets
P. 2765

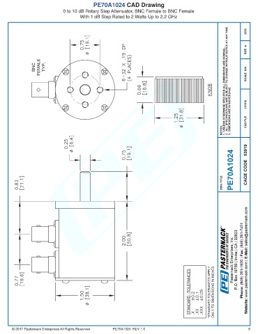
PE70A1024 CAD Drawing
                               0 to 10 dB Rotary Step Attenuator, BNC Female to BNC Female
                                       With 1 dB Step Rated to 2 Watts Up to 2.2 GHz



























































































                                                       PE70A1024  REV 1.0                                              6
   2760   2761   2762   2763   2764   2765   2766   2767   2768   2769   2770